Конструктивные и габаритные размеры оптоволоконных разъемов
Разъемы типа FC ориентированы на применение в одномодовой технике. Для фиксации используется накидная гайка, что дает большую герметичность зоны соединения и надежность соединения при воздействии вибраций.
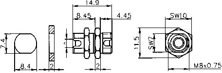
Розетки разъема FC могут выпускаются в двух вариантах: с квадратным фланцем и креплением двумя винтами М2 и с круглым фланцем и креплением под гайку (FC-D).

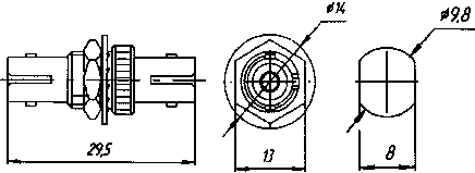
Коннектор FC

Розетка FC
Разъёмы типа SC
Коннектор типа SC имеет пластмассовый корпус, обеспечивает плавное подключение отключение одним линейным движением. Это делает этот разъем удобным для применения в оптических кроссах с большой плотностью гнёзд.
Из-за отсутствия проворачиваний наконечников при подключениях и отключениях разъемы SC обеспечивают лучшую стабильность параметров.

Коннектор SC

Розетка SC
Разъёмы типа SC могут собираться в дуплексный вариант:

Дуплексный коннектор SC
.gif)
Дуплексная розетка SC
Разъёмы типа ST
Оптический разъем типа ST соответствует международному стандарту IEC 874-10 и имеет наконечник диаметром 2,5мм с выпуклой торцевой поверхностью. Фиксация вилки на розетке выполняется подпружиненным байонетным элементом. Обычно корпуса вилки и розетки разъема ST металлические.
Коннектор ST

Розетка ST
Разъемы типа LC
Коннектор типа LC имеет прочный термостойкий пластмассовый корпус типа push-pull, с подпружиненным керамическим наконечником диаметром 1,25 мм. Коннектор фиксируется в розетке защелкой аналогичной разъёмам RJ- типа. Эти коннекторы могут соединяться в дуплексную пару с помощью специального зажима.
Присоединяются линейным движением, чем аналогичен разъёму SC и так же удобен в оптических кроссах с большой плотностью гнёзд

Коннектор LC


Розетки-адаптеры


